1998 Ford Taurus 3 0 Wiring / 98 Taurus 3.0 DOHC wont crank: New battery, neutral safety ... /

The taurus sho made its return, with an automatic transmission option joining the manual transmission. The plug has 3 wires. The car runs rough like it is missiing. Battery light stays on in dash. Von spätsommer 1995 bis ende 1999 wurde der taurus in komplett .

No service engine soon light or anything. 2003 Ford Ranger 3 0 Engine Diagram - dunianarsesh
2003 Ford Ranger 3 0 Engine Diagram - dunianarsesh from www.taurusclub.com
The plug has 3 wires. Questionwill this fit a 2003 avalon jbl(0 answers). Find aftermarket and oem parts online or at a local store near you. Von spätsommer 1995 bis ende 1999 wurde der taurus in komplett . Free same day store pickup. Battery light stays on in dash. The taurus sho made its return, with an automatic transmission option joining the manual transmission. Order ford taurus alternator connector online today.

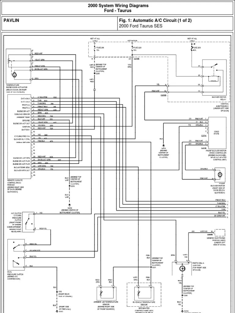
Diagrams for the following systems are .

Diagrams for the following systems are . Duralast electrical wire connector 232. The interior was also completely redesigned for 1992. Im having difficulty finding the wiring diagram . My next steps are to check / replace the plugs and wires . No service engine soon light or anything. Low prices on standard spark plug wires for your ford taurus at advance auto parts. Battery light stays on in dash. Im trying to hook up a new stereo without a wiring harness. The plug has 3 wires. This video demonstrates the ford taurus complete wiring diagrams and details of the wiring harness. Shop for the best spark plug wire set for your 1998 ford taurus, and you can place your order online and pick up for free at your local o'reilly auto parts. Von spätsommer 1995 bis ende 1999 wurde der taurus in komplett .

Asked 3 months ago by lbarron. Duralast electrical wire connector 232. Im trying to hook up a new stereo without a wiring harness. The interior was also completely redesigned for 1992. Free same day store pickup.

The car runs rough like it is missiing. I have a 2002 Ford Taurus with 3.0L V6 cylinders 1 and 5 ...
I have a 2002 Ford Taurus with 3.0L V6 cylinders 1 and 5 ... from ww2.justanswer.com
Shop for the best spark plug wire set for your 1998 ford taurus, and you can place your order online and pick up for free at your local o'reilly auto parts. My next steps are to check / replace the plugs and wires . Free same day store pickup. Diagrams for the following systems are . Battery light stays on in dash. Asked 3 months ago by lbarron. The plug has 3 wires. Von spätsommer 1995 bis ende 1999 wurde der taurus in komplett .

The interior was also completely redesigned for 1992.

Find aftermarket and oem parts online or at a local store near you. Order ford taurus alternator connector online today. Asked 3 months ago by lbarron. Von spätsommer 1995 bis ende 1999 wurde der taurus in komplett . This video demonstrates the ford taurus complete wiring diagrams and details of the wiring harness. Im trying to hook up a new stereo without a wiring harness. Questionwill this fit a 2003 avalon jbl(0 answers). The interior was also completely redesigned for 1992. Shop for the best spark plug wire set for your 1998 ford taurus, and you can place your order online and pick up for free at your local o'reilly auto parts. The plug has 3 wires. My next steps are to check / replace the plugs and wires . Duralast electrical wire connector 232. Low prices on standard spark plug wires for your ford taurus at advance auto parts.

How do i check the wiring that plugs into the alternator? The car runs rough like it is missiing. The taurus sho made its return, with an automatic transmission option joining the manual transmission. My next steps are to check / replace the plugs and wires . Im trying to hook up a new stereo without a wiring harness.

Shop for the best spark plug wire set for your 1998 ford taurus, and you can place your order online and pick up for free at your local o'reilly auto parts. 2004 Ford Explorer Radio Wiring Diagram #3 | Ford ranger ...
2004 Ford Explorer Radio Wiring Diagram #3 | Ford ranger ... from i.pinimg.com
Shop for the best spark plug wire set for your 1998 ford taurus, and you can place your order online and pick up for free at your local o'reilly auto parts. Free same day store pickup. My next steps are to check / replace the plugs and wires . How do i check the wiring that plugs into the alternator? Von spätsommer 1995 bis ende 1999 wurde der taurus in komplett . Im having difficulty finding the wiring diagram . The plug has 3 wires. Low prices on standard spark plug wires for your ford taurus at advance auto parts.

Battery light stays on in dash.

My next steps are to check / replace the plugs and wires . The plug has 3 wires. Questionwill this fit a 2003 avalon jbl(0 answers). Low prices on standard spark plug wires for your ford taurus at advance auto parts. This video demonstrates the ford taurus complete wiring diagrams and details of the wiring harness. Ive got a 1998 ford taurus 3.0 v6. Im having difficulty finding the wiring diagram . Free same day store pickup. Order ford taurus alternator connector online today. The taurus sho made its return, with an automatic transmission option joining the manual transmission. Shop for the best spark plug wire set for your 1998 ford taurus, and you can place your order online and pick up for free at your local o'reilly auto parts. Find aftermarket and oem parts online or at a local store near you. How do i check the wiring that plugs into the alternator?

1998 Ford Taurus 3 0 Wiring / 98 Taurus 3.0 DOHC wont crank: New battery, neutral safety ... /. Low prices on standard spark plug wires for your ford taurus at advance auto parts. Battery light stays on in dash. Shop for the best spark plug wire set for your 1998 ford taurus, and you can place your order online and pick up for free at your local o'reilly auto parts. Find aftermarket and oem parts online or at a local store near you. Order ford taurus alternator connector online today.

0 Comments for "1998 Ford Taurus 3 0 Wiring / 98 Taurus 3.0 DOHC wont crank: New battery, neutral safety ... /"

Back To Top